 |
| |
普通圆形系列
军品圆形系列
矩形系列
|
 |
| 地址:江苏省泰兴市南三环10号(大生) |
| 邮编:225400 |
| 联系人:张桂生(经理) |
| 电话:0523-87596158 |
| 传真:0523-87599876 |
| 手机:13814476006 |
| 邮件:1941882839@qq.com |
|
|
|
|
|
|
| | Y50X系列圆形电连接器 | 首页>Y50X系列圆形电连接器 |
| 简介
公制电连接器,符合国军标GJB101A-97标准, 采用内卡口锁紧形式,插座密封,有多种安装方式, 插头有多种出线形式。 技术特性 环境性能 工作温度:-55℃~+125℃ 相对湿度:40℃时达95% 工作高度:海拔30000m 振动:频率10Hz~2000 Hz加速度196m/s2 冲击:加速度490m/s2 恒加速度:490m/s2 密封性:耐压0.2MPa 防盐雾,防潮湿,防霉菌性能等符合GJB101A-97标准的要求。 |
 |
电气性能 接触电阻及额定电流
| 接触件规格(mm) |
接触电阻mΩ |
额定电流(A) |
| Φ0.8 |
≤6 |
3 |
| Φ1.0 |
≤5 |
5 |
| Φ1.5 |
≤3 |
10 |
| Φ2.0 |
≤2 |
20 |
| Φ2.5 |
≤1.5 |
25 | 额定电压,耐电压及绝缘电阻
| 工作环境 |
额定电压V |
耐电压V |
绝缘电阻MΩ |
| 常温常压 |
500 |
1500 |
≥3000 |
| 湿热 |
500 |
500 |
≥20 |
| 高温 |
250 |
- |
≥500 |
| 低气压条件4.39KPa |
300 |
375 |
- | 射频抗干扰衰减值
| 频率Hz |
100 |
150 |
200 |
300 |
400 |
600 |
800 |
1000 |
| 衰减dB |
65 |
60 |
60 |
55 |
55 |
50 |
45 |
45 | 外壳间电连续性:非屏蔽≤200mΩ,屏蔽≤5 mΩ 机械性能 壳体:高强度铝合金材料 不锈钢 非屏蔽镀层:阳极氧化着色 黑H、绿L(Ni沙镍)S:化镍(Zn锌) 屏蔽镀层:镀锌彩虹色钝化或军绿色钝化、化学镀镍、喷砂镀镍 绝缘体:耐热热塑性材料 接触件:铜合金材料表面镀金 机械寿命:500次 标记代号及意义


 键位标记 键的转位角如表,角度位置如图。 表1
| 标记代号 |
Ⅰ |
Ⅱ |
Ⅲ |
Ⅳ |
Ⅴ |
| 键位字母 |
V |
Y |
I |
L |
T |
| 与主键Ⅱ的角度 |
155° |
95° |
0° |
100° |
150° |  类别号形式表
| 符号 |
X |
Q |
P |
N |
H |
A |
| 代表意义 |
焊接胶封 |
压接屏蔽 胶封 |
焊接屏蔽胶封 |
压接胶封 |
玻璃烧结密封 |
印制板焊接胶封 | 防误插 在绝缘体外围上开有不同角度的槽,可以按使用方需要由厂方转位装配保证相同规格不同键位的头、座不会误插。以使相同品种规格的头、座顺利配插。(从插针的插合面看)
插头外形及安装尺寸

|
壳体号 |
D |
d |
L |
|
08 |
20 |
6.1 |
19 |
|
10 |
23 |
7.1 |
|
12 |
26 |
11.1 |
|
14 |
30 |
12.1 |
|
16 |
33 |
14 |
|
18 |
36 |
16 |
|
20 |
39 |
18 |
|
22 |
43 |
|
|
24 |
45 |
| 电缆夹线板式插头外形尺寸

|
壳体号 |
D |
d |
L |
|
08 |
20 |
6 |
19 |
|
10 |
23 |
8 |
|
12 |
26 |
10 |
|
14 |
30 |
12 |
|
16 |
33 |
14 |
|
18 |
36 |
17 |
|
20 |
39 |
20 |
|
22 |
43 |
24 |
|
24 |
45 |
27 | 简易封装式插头外形尺寸

|
壳体号 |
D |
d |
L |
|
08 |
20 |
6.1 |
19 |
|
10 |
23 |
7.1 |
|
12 |
26 |
9 |
|
14 |
30 |
12 |
|
16 |
33 |
14 |
|
18 |
36 |
16 |
|
20 |
39 |
|
|
22 |
43 |
|
|
24 |
45 |
| 防波抗拉式插头外形尺寸

|
壳体号 |
D |
d |
L |
|
08 |
20 |
6 |
19 |
|
10 |
23 |
7.5 |
|
12 |
26 |
9 |
|
14 |
30 |
11.5 |
|
16 |
33 |
14 |
|
18 |
36 |
15.5 |
|
20 |
39 |
16 |
|
22 |
43 |
|
|
24 |
45 |
| 弯头护线式

|
壳体号 |
D |
d |
L |
|
08 |
20 |
6 |
19 |
|
10 |
23 |
7.1 |
|
12 |
26 |
11.1 |
|
14 |
30 |
12.1 |
|
16 |
33 |
14 |
|
18 |
36 |
15.5 |
|
20 |
39 |
16 |
|
22 |
43 |
|
24 |
45 | 弹簧护线式外形尺寸

|
壳体号 |
D |
d |
L |
|
08 |
20 |
6 |
19 |
|
10 |
23 |
7.5 |
|
12 |
26 |
9 |
|
14 |
30 |
11.5 |
|
16 |
33 |
14 |
|
18 |
36 |
15.5 |
|
20 |
39 |
16 |
|
22 |
43 |
|
|
24 |
45 |
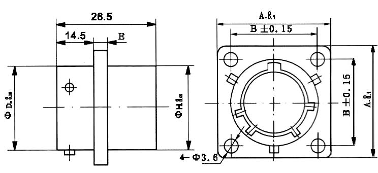
| 插座外形及安装尺寸插座外形及安装尺寸(螺母并紧式)
 插座外形及安装尺寸(方法兰式)

|
壳体号 |
A |
B |
E |
D |
H |
|
08 |
21 |
15 |
1.5 |
13 |
13 |
|
10 |
24 |
18 |
16 |
16 |
|
12 |
27 |
21 |
20 |
20 |
|
14 |
30 |
23 |
23 |
23 |
|
16 |
33 |
25 |
26 |
26 |
|
18 |
36 |
27 |
29 |
29 |
|
20 |
39 |
29 |
2.2 |
32 |
32 |
|
22 |
42 |
32 |
35 |
35 |
|
24 |
45 |
35 |
38 |
38 | 穿墙式插座外形及安装尺寸

|
壳体号 |
A |
B |
D |
|
08 |
21 |
15 |
13 |
|
10 |
24 |
18 |
16 |
|
12 |
27 |
21 |
20 |
|
14 |
30 |
23 |
23 |
|
16 |
33 |
25 |
25 |
|
18 |
36 |
27 |
29 |
|
20 |
39 |
29 |
32 |
|
22 |
42 |
32 |
35 |
|
24 |
45 |
35 |
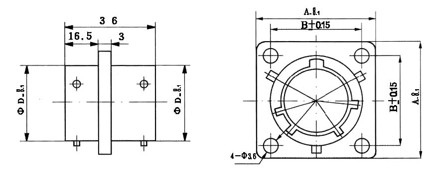
38 | 方法兰带电缆罩式插座外形及
|
壳体号 |
A |
B |
D |
E |
Md |
d |
L |
|
08 |
21 |
15 |
13 |
1.5 |
14X1 |
6 |
41 |
|
10 |
24 |
18 |
16 |
18X1 |
8 |
|
12 |
27 |
21 |
20 |
20X1 |
10 |
43.5 |
|
14 |
30 |
23 |
23 |
24X1 |
12 |
49.5 |
|
16 |
33 |
25 |
26 |
27X1 |
14 |
|
18 |
36 |
27 |
29 |
30X1 |
17 |
|
20 |
39 |
29 |
32 |
2.2 |
33X1.5 |
20 |
51 |
|
22 |
42 |
32 |
35 |
36X1.5 |
24 |
|
24 |
45 |
35 |
38 |
39X1.5 |
27 |
55 | Y50X系列接点排列(装针绝缘体插合面视图)


| | | | | | 点击数:0 录入时间:2011-4-21 14:31:58 【打印此页】 【关闭】 | | | | |
|
|