 |
| |
普通圆形系列
军品圆形系列
矩形系列
|
 |
| 地址:江苏省泰兴市南三环10号(大生) |
| 邮编:225400 |
| 联系人:张桂生(经理) |
| 电话:0523-87596158 |
| 传真:0523-87599876 |
| 手机:13814476006 |
| 邮件:1941882839@qq.com |
|
|
|
|
|
|
| | Y17系列电连接器 | 首页>Y17系列电连接器 |
|
特点简介 Y17系列电连接器,采用卡口式连接方式。 使用便捷,锁紧可靠,广泛适用于各种电气 设备之间电路连接。 主要技术性能 环境性能 —工作温度:焊接式-55℃~+125℃ —相对湿度:40℃时达95% —工作高度:海拔30000m —振动:频率10Hz~2000Hz 加速度196m/s² —冲击:加速度490 m /s² —恒加速度:加速度490 m /s² |
 | 电气性能 —接触电阻及额定电流
|
接触件规格(mm) |
接触电阻(mΩ) |
额定电流(A) |
|
Φ1.5 |
≤3 |
10 |
|
Φ2.5 |
≤1 |
25 |
|
Φ3.5 |
≤1 |
50 |
|
Φ5.0 |
≤1 |
75 |
|
Φ7.0 |
≤1 |
100 |
|
Φ10.0 |
≤1 |
200 | —额定电压、耐电压及绝缘电阻
|
工作环境 |
额定电压(V) |
耐电压(V) |
绝缘电阻(mΩ) |
|
常温常压 |
500 |
1500 |
≥1000 |
|
湿 热 |
300 |
300 |
≥20 |
|
高 温 |
250 |
---- |
≥500 |
|
低气压条件1kpa |
150 |
250 |
---- | 机械性能 —壳体:高强度铝合金材料、铜合金材料 —镀层:氧化着本色 —绝缘体:耐热热塑性材料 —接触件:铜合金材料 —镀层 :金 —机械寿命:500次 标记代号及意义
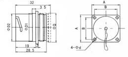
 外形及安装尺寸

|
壳体号 |
D |
L |
|
10 |
22.5 |
31.5 |
|
12 |
26.5 |
31.5 |
|
16 |
33 |
31.5 |
|
20 |
39 |
31.5 |
|
28 |
2804 |
52 |
34 |
|
2824 |
31.5 | 方形法兰盘插座

|
壳体号 |
D |
D1 |
D2 |
d |
A |
B |
|
10 |
18.5 |
17.5 |
16 |
3.4 |
24 |
18±0.2 |
|
12 |
22.5 |
21.5 |
20 |
3.4 |
27 |
21±0.2 |
|
16 |
29.5 |
27.5 |
26 |
3.4 |
32 |
26±0.2 |
|
20 |
35.5 |
33.5 |
32 |
5.5 |
42 |
33±0.2 |
|
28 |
50 |
45.5 |
44 |
5.5 |
53 |
42±0.2 | 园形法兰盘插座

|
壳体号 |
D |
D1 |
|
16 |
31 |
26 |
|
20 |
36 |
32 | 夹线板式电缆罩

|
壳体号 |
D |
d |
L |
|
10 |
18.5 |
7 |
17 |
|
12 |
22.5 |
10 |
17 |
|
16 |
29.5 |
13.5 |
25 |
|
20 |
大夹线板 |
35.5 |
20 |
26.5 |
|
小夹线板 |
15.5 |
23 |
|
28 |
50 |
29 |
36.5 | 灌封式电缆罩

|
壳体号 |
D |
d |
L |
|
10 |
18.5 |
9 |
18 |
|
12 |
22.5 |
13 |
18 |
|
16 |
29.5 |
17 |
28.5 |
|
20 |
35.5 |
23 |
28.5 | 90度弯式电缆罩

|
壳体号 |
D |
d |
L |
H |
|
16 |
29.5 |
13 |
34 |
24.5 |
|
20 |
35.5 |
16 |
37 |
27.5 | 热缩管式电缆罩

|
壳体号 |
d1 |
L1 |
d2 |
L2 |
D |
|
10 |
10 |
27 |
10 |
33 |
23 |
|
12 |
13 |
30 |
15 |
33 |
26 |
|
16 |
18 |
32 |
18 |
33 |
32 |
|
20 |
24 |
35 |
27.7 |
33 |
38 | Y17系列接点排列(装针绝缘体插合面视图)


|
孔位排列 |
接触件数 |
工作电流(A) |
孔位排列 |
接触件数 |
工作电流(A) |
|
1003 |
3-Φ1.5 |
10 |
2004 |
40-Φ5 |
75 |
|
1204 |
4-Φ2.5 |
25 |
2012(Ⅰ) |
8-Φ1.5/4-Φ3.5 |
10/50 |
|
1207 |
7-Φ1.5 |
10 |
2012(Ⅱ) |
6-Φ1.5/6-Φ2.5 |
10/25 |
|
1601 |
1-Φ10 |
200 |
2019 |
19-Φ1.5 |
10 |
|
1604 |
4-Φ3.5 |
30 |
2804 |
4-Φ7 |
100 |
|
1612 |
12-Φ1.5 |
10 |
2824 |
14-Φ1.5/10-Φ2.5 |
10/25 | | | | | | | 点击数:0 录入时间:2011-4-21 14:32:52 【打印此页】 【关闭】 | | | | |
|
|